0519-88904863
产品概述:二维混料机主要由转筒、摆动架、机架三大部分构成。转筒装在摆动架上,由四个滚轮支撑并由两个挡轮对其进行轴向定位,在四个支撑滚轮中,其中两个传动轮由转动动力系统拖动使转筒产生转动,摆动架由一组曲柄摆杆机构来驱动,曲柄摆杆机构在机架上,摆动架由轴承组件支撑在机架…
在线咨询 工作原理
二维混料机主要由转筒、摆动架、机架三大部分构成。转筒装在摆动架上,由四个滚轮支撑并由两个挡轮对其进行轴向定位,在四个支撑滚轮中,其中两个传动轮由转动动力系统拖动使转筒产生转动,摆动架由一组曲柄摆杆机构来驱动,曲柄摆杆机构在机架上,摆动架由轴承组件支撑在机架上。
性能特点
EYH二维混料机的转筒可同时进行二个运动,一个为转筒的转动,另一个为转筒随摆动架的摆动。被混合物料在转筒内随转筒转动、翻转、混合的同时,又随转筒的摆动而发生左右来回的掺混运动,在这两个运动的共同作用下,物料在短时间内得到充分的混合。EYH二维混料机适合所有粉、粒状物料的混合。
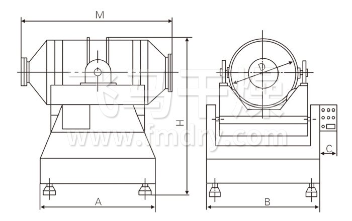
结构示意图

技术规格
| 规格型号 | 容积(L) | 装料系数 |
装料重量 (kg) |
外型尺寸(mm) | 功率(kw) | ||||||
| A | B | C | D | M | H | 转动 | 摆动 | ||||
| EYH100 | 100 | 0.5 | 40 | 860 | 900 | 200 | 400 | 1000 | 1500 | 1.1 | 0.75 |
| EYH300 | 300 | 0.5 | 75 | 1000 | 1100 | 200 | 580 | 1400 | 1650 | 1.1 | 0.75 |
| EYH600 | 600 | 0.5 | 150 | 1300 | 1250 | 240 | 720 | 1800 | 1850 | 1.5 | 1.1 |
| EYH800 | 800 | 0.5 | 200 | 1400 | 1350 | 240 | 810 | 1970 | 2100 | 1.5 | 1.1 |
| EYH1000 | 1000 | 0.5 | 350 | 1500 | 1390 | 240 | 850 | 2040 | 2180 | 2.2 | 1.5 |
| EYH1500 | 1500 | 0.5 | 550 | 1800 | 1550 | 240 | 980 | 2340 | 2280 | 3 | 1.5 |
| EYH2000 | 2000 | 0.5 | 750 | 2000 | 1670 | 240 | 1100 | 2540 | 2440 | 3 | 2.2 |
| EYH2500 | 2500 | 0.5 | 950 | 2200 | 1850 | 240 | 1160 | 2760 | 2600 | 4 | 2.2 |
| EYH3000 | 3000 | 0.5 | 1100 | 2400 | 1910 | 280 | 1220 | 2960 | 2640 | 5 | 4 |
| EYH5000 | 5000 | 0.5 | 1800 | 2700 | 2290 | 300 | 1440 | 3530 | 3000 | 7.5 | 5.5 |
| EYH10000 | 10000 | 0.5 | 3000 | 3200 | 2700 | 360 | 1800 | 4240 | 4000 | 15 | 11 |
| EYH12000 | 12000 | 0.5 | 4000 | 3400 | 2800 | 360 | 1910 | 4860 | 4200 | 15 | 11 |
| EYH15000 | 15000 | 0.5 | 5000 | 3500 | 3000 | 360 | 2100 | 5000 | 4400 | 18.5 | 15 |
注:物料堆积比重按0.6g/cm3为计,如超出,订货时请标明。
含盐废水蒸发器可以处理有机废水,但在处理过程中,需要考虑以下几个方面:有机废水的成分:含盐废水蒸发器可以处理有机废水中的盐分和其他有害物质,但…
三维运动混合机的混合效果非常出色,具体表现在以下几个方面:一、高混合均匀度三维运动混合机通过其独特的三维运动方式,即平移、转动和摇滚运动,使物…
含盐废水蒸发器在环保工程中的应用包括以下几个方面:工业废水处理:各种工业生产过程中会产生大量的含盐废水,这些废水如果不经过处理就直接排放,会对…
三维运动混合机在使用过程中需要注意以下方面,以确保其安全、高效运行:一、操作前准备与检查设备检查:确保设备各联接部位紧固可靠,电气接线正常,无…
含盐废水蒸发器具有以下特点:针对蒸发结晶工艺过程中,可选的含盐废水成分较广,既可以处理无机废水,也可以处理有机废水。在真空的作用下,含盐废水蒸…
三维运动混合机的安全注意事项涉及设备的操作、维护以及人员安全等多个方面,以下是根据制药网等网站信息整理出的具体注意事项:一、操作前准备设备检查…